Das Pico-ITX Board VDX3-PITX von Icop bietet alle Vorteile eines Embedded Boards mit kleinem Formfaktor. Es benötigt nur minimalen Platz und erweist sich in der täglichen betrieblichen Nutzung als sehr stromsparend.
Der Pico-ITX Formfaktor hat Standard-Abmessungen von 100×72 mm (3,9 x 2,8 Zoll), was ungefähr der Hälfte der Größe eines Standard-Nano-ITX-Boards entspricht.

Pico-ITX Embedded Board VDX3-PITX von Icop
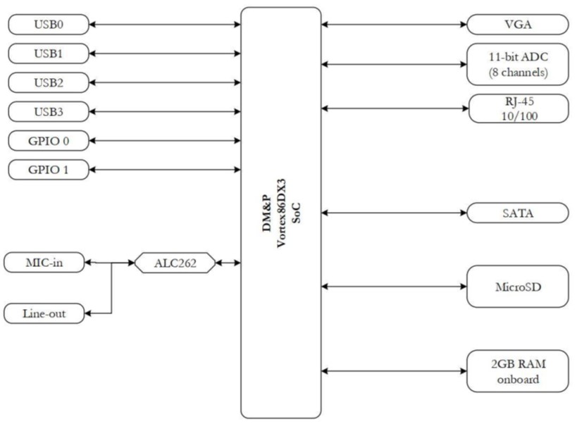
Das Pico-ITX Motherboard VDX3-PITX von Icop wurde für Projekte und Anwendungen entwickelt, die Embedded Boards mit einer geringen Größe benötigen. Das Pico-ITX Board VDX3-PITX verfügt über einen Vortex86DX3 1GHz SOC, der 2GB DDR3 RAM, LAN, SATA DOM, MicroSD, 4xUSB, 2x 8-bit GPIO, 11-bit ADC und Audio unterstützt.


Das Pico-ITX Board von Icop wird über einen 5V DC-Eingang versorgt und unterstützt Betriebstemperaturen von -20°C ~ bis 70°C bei Verwendung eines einzelnen Kerns und -10°C ~ bis 60° bei Verwendung von zwei Kernen. Das VDX3-PITX unterstützt auch das Ethernet-basierte Feldbussystem für EtherCAT Smart Control, dass eine Maschine-zu-Maschine-Kommunikation über ein RJ45-LAN-Kabel ermöglicht.
VDX3-PITX Block Diagramm

Key-Featured des Pico-ITX Boards VDX3-PITX:
- DM&P SoC Vortex86DX3- 1GHz
- Standard Pico-ITX Formfaktor
- 2GB DDR3 Onboard
- 4U / VGA / LAN / AUDIO / 16GPIO / ADC / Micro SD
- Betriebstemperatur: -20 ~ +70°C
Haben Sie Interesse am Pico-ITX-Board von Icop? Nach einem Klick auf den folgenden Link gelangen Sie zur Produktdetailseite und können anschließend bei Interesse oder weiteren Fragen unsere Produktexperten kontaktieren.